Tunable Bandpass Filter ( 30-512 MHz )

₹0.00

Application:

  • Applications where small size, low power, and high performance are needed

  • Military Radios

  • Military Radar

  • SATCOM

  • Test and Measurement Equipment

  • Industrial and Medical Equipment

Feature:

  • 4 dB typical insertion loss for a 5% filter

  • 21 dBc typical selectivity at fc   ± 10%

  • 0 dBm RF operating power

  • 18 µs typical tune time (Serial Tuning)

  • 9 µs typical tune time (Parallel Tuning)

  • Low DC power consumption

Description:

Internal Switch 3-band, low cost, miniature, high-performance tunable filter. designed to have the best insertion loss and Q in the smallest package possible. The size is 47 mm x 42 mm x 7. 1 mm

Control Mode:

This product offers two control methods: 3-wire SPI control and 8-bit parallel control.

When the SER/PAR pin is set to high level and the CS pin is connected to the STB pin, the device enters SPI mode. When the SER/PAR pin is grounded, the device enters 8-bit parallel control mode.

 Operation Principle :

SPI Command: The customer's MCU sends 2 bytes of data (0–250) to the module via SPI. The data length is 16 bits. Bits 15–10 are invalid, bits 9–8 are segment selection, and bits 7–0 are the data value. Upon receiving the data, the module looks up the corresponding table and prepares new parameters.

Output Trigger: The customer's MCU sends a low-level pulse to the OUT_TRIG pin. The module immediately applies the new parameters and establishes a new operating state.

Address Code Calculation:
Address code = {(fx – flow) / (fhigh – flow)} × 250

Where:

fx = desired tuning center frequency within the band

flow = lowest frequency in the segment

fhigh = highest frequency in the segment

250 = total number of steps within the segment

If the result contains a decimal, it shall be rounded to the nearest integer

Example:
Center frequency fx = 450 MHz
Address code = {(450 – 225) / (678 – 225)} × 250 = 124
Binary code: 0111 1100

Parallel control :

The Parallel tune command interface is an 8-bit wide synchronous parallel interface with a two-byte load. There are always 16 data bits per parallel tune regardless of the tune mode used. Any bits that do not affect the frequency offset of the filter should always be set to 0. A7 is the most significant bit and A0 is the least significant bit. Keeping SER/PAR pulled to GND during power up will enable the parallel tune command interface.

Functional Description :

Tune Commands

The tune command is a two-byte load tune word. The first byte (MSB) is the band the filter should tune to. The

Second, byte (LSB) is the frequency offset in the chosen band. The tune command is formatted the same for both SPI and parallel interface modes.

‍ ‍

Tune Time :

Tune times include internal processing of the tune command data and the 90% settled RF amplitude response time of the filter. This time excludes the time required to load the tune command into the filter. Low-level signal measurements were utilized to show the receive tune time that can be expected.

In addition, RF power in excess of -10 dBm is considered to be “hot switching” of the filter. The data taken in was taken with 0 dBm input but this does not imply that tuning operation of the filter with that level can be done reliably. It is recommended that RF power remains less than -10 dBm during a tune event.

1.       No routing is allowed on the bottom side of the PCB. Do not connect to ground or any voltage level. DC blocking capacitors are required on both input and output. The yellow area is the exposed copper (solderable) area.

2.       It is not recommended to use a hot air gun for soldering the sample.

Note: Top Side looking down

Application:

  • Applications where small size, low power, and high performance are needed

  • Military Radios

  • Military Radar

  • SATCOM

  • Test and Measurement Equipment

  • Industrial and Medical Equipment

Feature:

  • 4 dB typical insertion loss for a 5% filter

  • 21 dBc typical selectivity at fc   ± 10%

  • 0 dBm RF operating power

  • 18 µs typical tune time (Serial Tuning)

  • 9 µs typical tune time (Parallel Tuning)

  • Low DC power consumption

Description:

Internal Switch 3-band, low cost, miniature, high-performance tunable filter. designed to have the best insertion loss and Q in the smallest package possible. The size is 47 mm x 42 mm x 7. 1 mm

Control Mode:

This product offers two control methods: 3-wire SPI control and 8-bit parallel control.

When the SER/PAR pin is set to high level and the CS pin is connected to the STB pin, the device enters SPI mode. When the SER/PAR pin is grounded, the device enters 8-bit parallel control mode.

 Operation Principle :

SPI Command: The customer's MCU sends 2 bytes of data (0–250) to the module via SPI. The data length is 16 bits. Bits 15–10 are invalid, bits 9–8 are segment selection, and bits 7–0 are the data value. Upon receiving the data, the module looks up the corresponding table and prepares new parameters.

Output Trigger: The customer's MCU sends a low-level pulse to the OUT_TRIG pin. The module immediately applies the new parameters and establishes a new operating state.

Address Code Calculation:
Address code = {(fx – flow) / (fhigh – flow)} × 250

Where:

fx = desired tuning center frequency within the band

flow = lowest frequency in the segment

fhigh = highest frequency in the segment

250 = total number of steps within the segment

If the result contains a decimal, it shall be rounded to the nearest integer

Example:
Center frequency fx = 450 MHz
Address code = {(450 – 225) / (678 – 225)} × 250 = 124
Binary code: 0111 1100

Parallel control :

The Parallel tune command interface is an 8-bit wide synchronous parallel interface with a two-byte load. There are always 16 data bits per parallel tune regardless of the tune mode used. Any bits that do not affect the frequency offset of the filter should always be set to 0. A7 is the most significant bit and A0 is the least significant bit. Keeping SER/PAR pulled to GND during power up will enable the parallel tune command interface.

Functional Description :

Tune Commands

The tune command is a two-byte load tune word. The first byte (MSB) is the band the filter should tune to. The

Second, byte (LSB) is the frequency offset in the chosen band. The tune command is formatted the same for both SPI and parallel interface modes.

‍ ‍

Tune Time :

Tune times include internal processing of the tune command data and the 90% settled RF amplitude response time of the filter. This time excludes the time required to load the tune command into the filter. Low-level signal measurements were utilized to show the receive tune time that can be expected.

In addition, RF power in excess of -10 dBm is considered to be “hot switching” of the filter. The data taken in was taken with 0 dBm input but this does not imply that tuning operation of the filter with that level can be done reliably. It is recommended that RF power remains less than -10 dBm during a tune event.

1.       No routing is allowed on the bottom side of the PCB. Do not connect to ground or any voltage level. DC blocking capacitors are required on both input and output. The yellow area is the exposed copper (solderable) area.

2.       It is not recommended to use a hot air gun for soldering the sample.

Note: Top Side looking down

Electrical Specification
Electrical specification parameters including voltage, current, frequency, and performance characteristics
Symbol Parameter Min Typical Max Unit
VCC Supply Voltage 4.75 5 5.5 V
VBB High Supply Voltage 20 20 22 V
Icc Electric Current 1 - 1 25 mA
Ibb Electric Current 2 - 2 3 mA
F Frequency Range 30 - 512 MHz
I.L Insertion Loss - 4 6 dB
BW3 3dB Relative Bandwidth - 5% 6% MHz
Sel Selectivity at F₀ ± 10% 18 21 - dBc
Rf Remote Rejection @ 2F₀ - 60 - dB
VSWR Voltage Standing Wave Ratio - 1.5 2.2 -
Z Nominal Impedance - 50 - Ohm
BW-30dB / BW-3dB Shape Factor - - 7.5 -
- P1dB Compression Point (Output/Input) 10 - - dBm
t Tuning Time - - 35 µs
- Center Frequency Drift - - 80 PPM/℃
Handling Rating
Handling rating parameters including operating and storage temperature ranges
Symbol Parameter Min Typical Max Unit
To Operating Temperature -40 25 +85 °C
TS Storage Temperature -55 - +105 °C
SPI Interface Timing
SPI interface timing parameters including clock frequency, mode, and data format
Parameter Description Value Unit
Direction Data Transmission Direction MSB first -
FSCK Maximum Clock Frequency 8 Mbps
MODE SPI Mode (CPOL=0, CPHA=0) Mode 0 -
LENGTH Data Frame Size 16 bits
IF Interface Connection Type 3-wire (CS, CLK, MOSI) -
Connecting Cable Specification
Connecting cable specifications including voltage levels, signals, and interface pins
Parameter Description Value Unit
VCC Supply Voltage 3.3 V
VBB Supply Voltage 22 V
GND Ground 0 V
CS Chip Select - -
CLK SPI Clock - -
MOSI Master Out Slave In - -
TRIG Output Trigger Timing Starts after last SCLK edge -
Tune Command Properties
Tune command properties including frequency limits, step size, and command calculation details
Symbol Band Value Description
fMIN 1 30 MHz Minimum tunable frequency. Absolute lowest frequency for the respective band.
2 77.552 MHz
3 216.188 MHz
fMAX 1 77 MHz Maximum tunable frequency. Frequencies beyond this result in invalid tuning.
2 215 MHz
3 512 MHz
fSTEP 1 0.188 MHz Tune step size. Minimum spacing between adjacent tune commands.
2 0.552 MHz
3 1.188 MHz
fCOM All - Commanded frequency sent via SPI or parallel interface. Calculated as: (Desired Frequency − fMIN) / fSTEP, then rounded to nearest integer. Use floor for lower value or ceil for higher value selection.
Tune Word Format Table showing MSB to LSB bit mapping and commanded frequency
8.2 Tune Word Format
(MSb)
15
14 13 12 11 10 9 8 7 6 5 4 3 2 1 (LSb)
0
0 0 0 0 0 0 Band Bits Commanded Frequency
Band Bits table showing Bit 9 and Bit 8 mapping to selected frequency bands
Band Bits
Bit 9 Bit 8 Selected Band Band Range (MHz)
0 0 1 30 – 77
0 1 2 77.552 – 215
1 0 3 216.188 – 512
1 1 Unsupported, Do not Select -
Frequency calculation table showing desired frequency, band selection, and tune command values
Frequency Calculation & Tune Command Table
fDESIRED (MHz) Req. Band Band (Hex) fMIN of Band (MHz) fSTEP of Band (MHz) fCOM Calculation (Decimal) fCOM (Decimal) fCOM (Hex) Tune Command (Hex)
30 1 0x00 30 0.188 round((30 − 30) / 0.188) 0 0x00 0x0000
53.5 1 0x00 30 0.188 round((53.5 − 30) / 0.188) 125 0x7D 0x007D
77.0 1 0x00 30 0.188 round((77 − 30) / 0.188) 250 0xFA 0x00FA
77.552 2 0x01 77.552 0.552 round((77.552 − 77.552) / 0.552) 0 0x00 0x0100
90.248 2 0x01 77.552 0.552 round((90.248 − 77.552) / 0.552) 23 0x17 0x0117
215 2 0x01 77.552 0.552 round((215 − 77.552) / 0.552) 249 0xF9 0x01F9
216.118 3 0x02 216.118 1.188 round((216.118 − 216.118) / 1.188) 0 0x00 0x0200
477.548 3 0x02 216.118 1.188 round((477.548 − 216.118) / 1.188) 220 0xDC 0x02DC
Frequency tuning time table showing parallel and serial tuning performance across bands
Tuning Time vs Frequency & Mode
From (MHz) To (MHz) Tuning Mode Band Tune Time (µs) @ 0 dBm
3077Parallel30–77 (1)8.3
7730Parallel30–77 (1)9.3
77.55215Parallel77.55–215 (2)8.3
21577.55Parallel77.55–215 (2)9.1
216.188512Parallel216.188–512 (3)8.3
512216.188Parallel216.188–512 (3)9.6
30215ParallelBAND (1) TO BAND (2)8.8
21530ParallelBAND (2) TO BAND (1)10.3
30512ParallelBAND (1) TO BAND (3)8.8
51230ParallelBAND (3) TO BAND (1)9.8
215512ParallelBAND (2) TO BAND (3)5.2
512215ParallelBAND (3) TO BAND (2)5.6
3077Serial30–77 (1)17.6
7730Serial30–77 (1)18.6
77.55215Serial77.55–215 (2)17.4
21577.55Serial77.55–215 (2)19.1
216.188512Serial216.188–512 (3)17.6
512216.188Serial216.188–512 (3)18.3
30215SerialBAND (1) TO BAND (2)18.0
21530SerialBAND (2) TO BAND (1)19.0
30512SerialBAND (1) TO BAND (3)18.0
51230SerialBAND (3) TO BAND (1)19.0
215512SerialBAND (2) TO BAND (3)12.5
512215SerialBAND (3) TO BAND (2)14.9
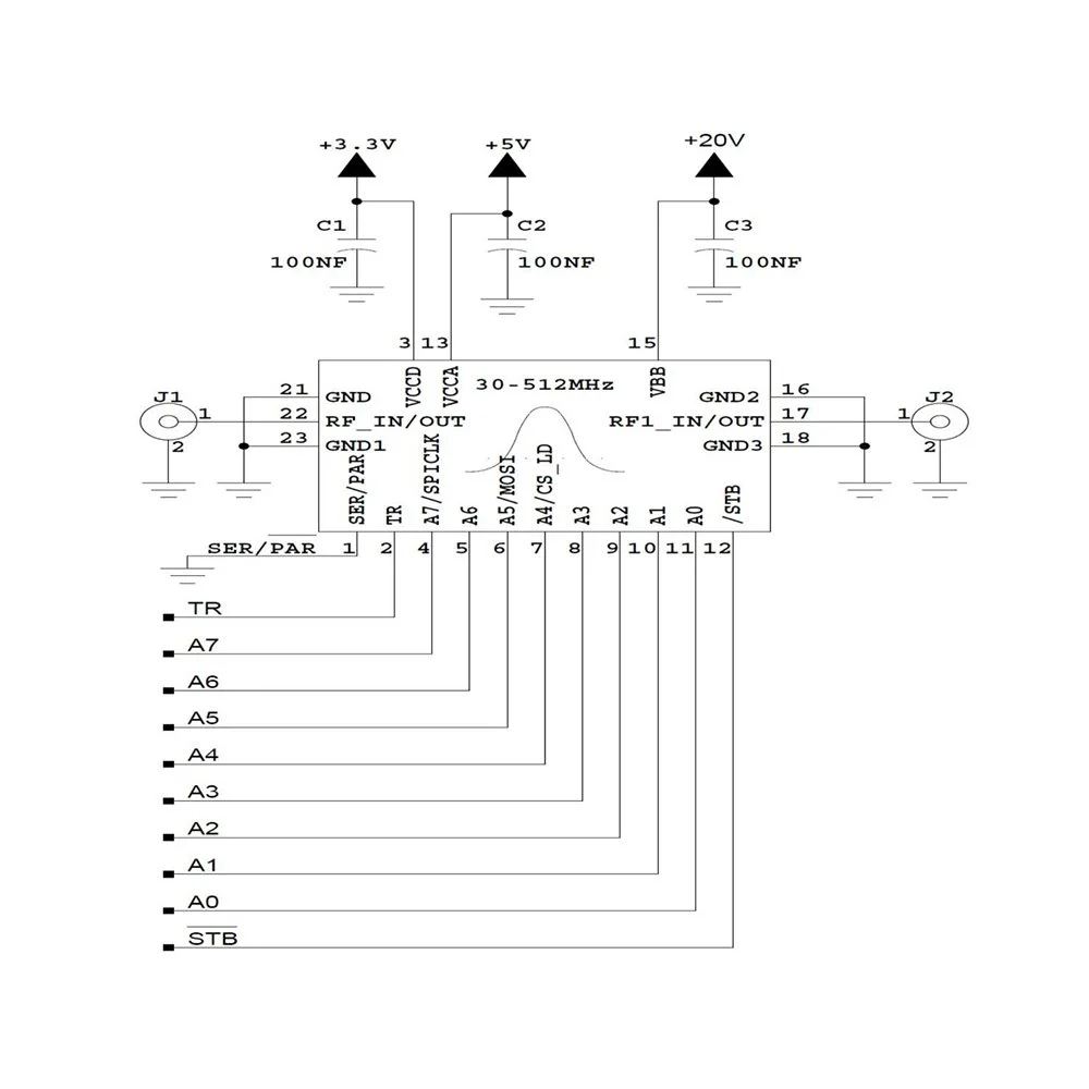
Pin configuration table showing pin numbers, labels, and descriptions for interface and power connections
14. Pin Configuration
Pin Number Label Description
1 SER/PAR Serial/Parallel Tune Command Interface Selection – Pull to VCC for SPI (serial) mode, tie to GND for parallel mode. A power cycle is required to change modes.
(Internally pulled to VCC with 10 kΩ resistor)
2 TUNE READY Tune Ready Indicator – Normally low. Goes high when CS/STB is taken low indicating readiness for data. Returns low after data is loaded, indicating tuning is complete.
3 VCCD Digital Interface Supply – Sets logic level (e.g., +5 V for 5 V logic, +3.3 V for 3.3 V logic).
4 A7 / SCLK Parallel: A7 (MSb) – Data latched on rising edge of STB.
Serial: SCLK – Clock input, data latched on rising edge.
(Internally pulled to VCC with 10 kΩ resistor)
5 A6 Parallel Data A6.
(Internally pulled to VCC with 10 kΩ resistor)
6 A5 / MOSI Parallel: A5 data input.
Serial: MOSI – Data input for tune command (16-bit). Latched on rising edge of SCLK.
(Internally pulled to VCC with 10 kΩ resistor)
7 A4 / CS Parallel: A4 data input.
Serial: CS – Active low chip select. Must be tied to STB (Pin 12) in serial mode.
(Internally pulled to VCC with 10 kΩ resistor)
8–11 A3–A0 Parallel Data Inputs A3 (Pin 8), A2 (Pin 9), A1 (Pin 10), A0 (Pin 11).
(Internally pulled to VCC with 10 kΩ resistor)
12 STB Serial: Wake-up control, tie to CS (Pin 7).
Parallel: Controls data latching sequence. Rising edges latch MSB then LSB and trigger tuning.
13 VCC Supply Voltage Input: 4.75 V to 5.25 V.
14, 16, 18, 19, 20, 21, 23 GND Digital and Analog Ground.
15 VBB High Bias Supply Voltage Input: +20 V.
17, 22 RF IN/OUT RF Signal Input or Output.
Additional Interface Details for Pin Configuration
Pin Name Description
TUNE READY Tune Ready Indicator – The TUNE READY pin is a driven digital output. Do not connect any other push-pull output directly to this pin.

The function of the TUNE READY pin is to indicate the status of the digital interface during/after tune events. The normal logic state of TUNE READY is low (de-asserted) at power-up. In this condition, the filter is ready to receive a new tune command.

When a new tune command is initiated (pulling CS & STB low in serial mode or STB low in parallel mode), the TUNE READY pin transitions high (asserted) once the filter is ready to receive digital data.

The external control circuit must monitor this pin or wait for the minimum control circuit setup time before loading data.

After receiving a valid tune command and completing processing, TUNE READY returns to low (de-asserted).

Note: In parallel mode, if TUNE READY remains high after tuning, the second rising edge of STB may have been missed. To fix this, toggle STB low for >300 ns, then high. If TUNE READY goes low, the filter can be re-tuned.
SER/PAR Serial/Parallel Command Interface Selection – This pin is sampled at power-up to determine the interface mode.

Pulling SER/PAR to VCC enables SPI (serial) mode. Connecting it to GND enables parallel mode.

The interface mode cannot be changed dynamically and only updates on power-up.

This pin includes an internal 10 kΩ pull-up resistor to VCC.
CS & STB SPI Chip Select and Tune Strobe:

Serial Mode: STB wakes the control circuitry on a low transition. For proper SPI operation, CS (pin 7) and STB (pin 12) must be tied together externally.

Parallel Mode: CS is repurposed as Parallel data A4. STB wakes the control circuitry on a low transition. The next two rising edges of STB load the most significant byte (MSB) and least significant byte (LSB), respectively.